深圳市翰磊贸易有限公司

产品分类
KLS
E2V
ORC
CEI
OTS
SMV
CIS
GE
NED
LKK
THK
产品详情
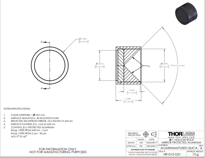
Thorlabs索雷博 HR1015-G01 中空屋脊棱镜反射镜

Thorlabs索雷博 HR1015-G01 中空屋脊棱镜反射镜

品牌:Thorlabs索雷博
产品详情


Thorlabs索雷博       HR1015-G01   中空屋脊棱镜反射镜


通用规格
表面质量(涂层表面)40-20 划痕挖掘
表面平整度633 nm 处 < λ/4
(峰至谷)
反射波前误差633 nm 处 < λ/2
(峰至谷)
基材紫外熔融石英‍a
二面角精度±10角秒

规格方形未安装棱镜镜圆形安装棱镜镜
外壳尺寸不适用Ø1" x 0.68"
基材尺寸1.00 英寸 x 1.00 英寸(25.4 毫米 x 25.4 毫米)Ø0.89 英寸(22.6 毫米)
镜面尺寸
(两处)
1.00 英寸 x 0.71 英寸(25.4 毫米 x 18.03 毫米)-
尺寸公差±0.2毫米+0.000" / -0.002" (+0.00 毫米 / -0.05 毫米)
通光孔径b> 面部尺寸的 80%>Ø18.0毫米





电话:0755-83512170;手机:13249819590;QQ:2577758288;邮箱:2577758288@qq.com