Thorlabs索雷博 DMLP638R 长波通二向色镜
| 一般规格 |
|---|
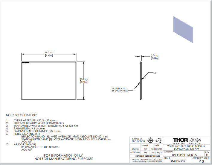
| 尺寸 | Ø1/2" | Ø1" | Ø2" | 25.0 毫米 x 36.0 毫米 | 35.0 毫米 x 52.0 毫米 | | 尺寸公差 | +0.0/-0.2 毫米(直径) | ±0.1 毫米(长、宽) | - | | 通光孔径 | ≥Ø11.4毫米 | ≥Ø22.9毫米 | ≥Ø45.7毫米 | ≥22.5 毫米 x 32.4 毫米 | ≥85%,椭圆 | | 厚度 | 3.0±0.1毫米 | 5.0±0.1毫米 | 1.0±0.1毫米 | 2.0 毫米(仅限 DMLP730B)或 3.0 毫米 | | 入射角 | 45° | | 表面质量 | 40-20 划痕-挖掘 | | 传输波前误差 | < λ/4 @ 633 nm 通光孔径 | 通光孔径下 ≤λ/4 @ 632.8 nm | | 并行性 | < 3 弧分 | | 基材材质 | 紫外熔融石英b |
| 波长规格 |
|---|
| 项目编号前缀 | 截止波长 | 传输频段 | 绝对传输 | 平均传输率 | 反射带 | 绝对反射率 | 平均反射率 | AR镀膜范围a | 伤害阈值 | | DMLP425 | 425纳米 | 440 - 800 纳米 | >85% | >90% | 380 - 410 纳米 | >90% | >95% | 400 - 800 纳米 | 1.50 J/cm 2 (532 nm, 10 Hz, 10 ns, Ø250 µm) | | DMLP490 | 490纳米 | 505 - 800 纳米 | >85% | >90% | 380 - 475 纳米 | >90% | >95% | 400 - 800 纳米 | 1.00 J/cm 2 (532 nm, 10 Hz, 10 ns, Ø538 µm) | | DMLP505 | 505纳米 | 520 - 800 纳米 | >85% | >90% | 380 - 490 纳米 | >90% | >95% | 400 - 800 纳米 | 1.50 J/cm 2 (532 nm, 10 Hz, 10 ns, Ø250 µm) | | DMLP550 | 550纳米 | 565 - 800 纳米 | >85% | >90% | 380 - 533 纳米 | >90% | >95% | 400 - 800 纳米 | 0.50 J/cm 2 (532 nm, 10 Hz, 10 ns, Ø538 µm) | | DMLP567 | 567纳米 | 584 - 800 纳米 | >85% | >90% | 380 - 550 纳米 | >90% | >95% | 400 - 800 纳米 | 1.50 J/cm 2 (532 nm, 10 Hz, 10 ns, Ø250 µm) | | DMLP605 | 605纳米 | 620 - 800 纳米 | >85% | >90% | 470 - 590 纳米 | >90% | >95% | 400 - 800 纳米 | 1.50 J/cm 2 (532 nm, 10 Hz, 10 ns, Ø250 µm) | | DMLP638 | 638纳米 | 655 - 700 纳米 | >85% | >90% | 580 - 621 纳米 | >90% | - | 400 - 800 纳米 | 1.50 J/cm 2 (532 nm, 10 Hz, 10 ns, Ø250 µm) | | DMLP650 | 650纳米 | 685 - 1600 纳米 | >85% | >90% | 400 - 633 纳米 | >90% | >95% | 665 - 1600 纳米 | 0.25 J/cm 2 (532 nm, 10 Hz, 10 ns, Ø538 µm) 2.00 J/cm 2 (1064 nm, 10 Hz, 10 ns, Ø1.000 mm) | | DMLP735 | 735纳米 | 750 - 1600 纳米 | - | >93% | 350 - 720 纳米 | - | >98% | 350 - 1600 纳米 | - | | DMLP805 | 805纳米 | 825 - 1300 纳米 | >85% | >90% | 400 - 785 纳米 | >90% | >95% | 823 - 1300 纳米 | - | | DMLP900 | 900纳米 | 932 - 1300 纳米 | >85% | >90% | 400 - 872 纳米 | >90% | - | 932 - 1700 纳米 | 1.00 J/cm 2 (532 nm, 10 Hz, 10 ns, Ø250 µm) 6.50 J/cm 2 (1064 nm, 10 Hz, 12 ns, Ø250 µm) | | DMBP740b | 940纳米 | 400 - 725 纳米, 980 - 1700 纳米 | - | >93% | 753 - 935 纳米 | - | >97% | 400 - 1700 纳米 | - | | DMLP950 | 950纳米 | 990 - 1600 纳米 | >85% | >90% | 420 - 900 纳米 | >90% | >95% | 932 - 1700 纳米 | 1.00 J/cm 2 (532 nm, 10 Hz, 10 ns, Ø538 µm) 4.00 J/cm 2 (1064 nm, 10 Hz, 10 ns, Ø1.000 mm) | | DMLP1000 | 1000纳米 | 1020 - 1550 纳米 | >85% | >90% | 520 - 985 纳米 | >90% | >95% | 1020 - 1550 纳米 | - | | DMLP1150 | 1150纳米 | 1200 - 1900 纳米 | - | >95% | 720 - 1100 纳米 | - | >95% | 400 - 1900 纳米 | - | | DMLP1180 | 1180纳米 | 1260 - 1700 纳米 | >85% | >90% | 750 - 1100 纳米 | >90% | >95% | 932 - 1700 纳米 | 5.00 J/cm 2 (1064 nm, 10 Hz, 12 ns, Ø250 µm) | | DMLP1500 | 1500纳米 | 1550 - 2000 纳米 | >85% | >90% | 1000 - 1450 纳米 | >90% | >95% | 1550 - 2000 纳米 | - | | DMLP1800 | 1800纳米 | 1850 - 2100 纳米 | >85% | >90% | 1500 - 1750 纳米 | >90% | >95% | 1800 - 2100 纳米 | 5.00 J/cm 2 (2050 nm, 62.5 Hz, 10 ns, Ø348 µm) |


电话:0755-83512170;手机:13249819590;QQ:2577758288;邮箱:2577758288@qq.com
|