深圳市翰磊贸易有限公司

产品分类
KLS
E2V
ORC
CEI
OTS
SMV
CIS
GE
NED
LKK
THK
产品详情
Thorlabs索雷博 DMLP605R 长波通二向色镜

Thorlabs索雷博 DMLP605R 长波通二向色镜

品牌:Thorlabs索雷博
产品详情


Thorlabs索雷博       DMLP605R   长波通二向色镜


一般规格
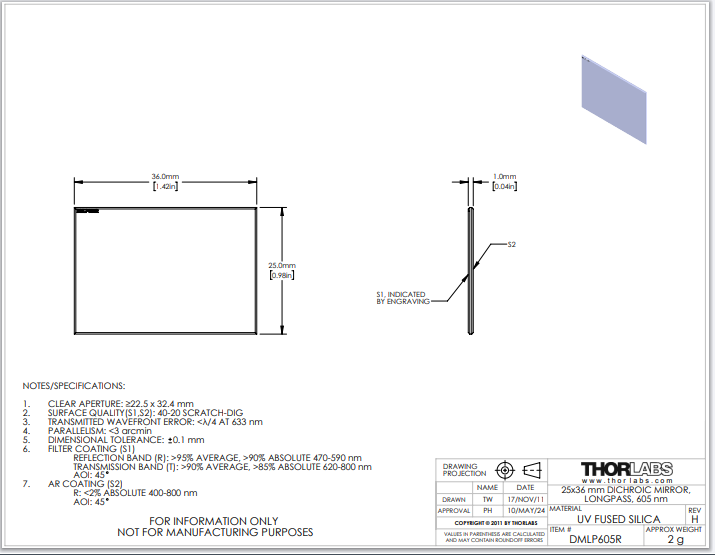
尺寸Ø1/2"Ø1"Ø2"25.0 毫米 x 36.0 毫米35.0 毫米 x 52.0 毫米
尺寸公差+0.0/-0.2 毫米(直径)±0.1 毫米(长、宽)-
通光孔径≥Ø11.4毫米≥Ø22.9毫米≥Ø45.7毫米≥22.5 毫米 x 32.4 毫米≥85%,椭圆
厚度3.0±0.1毫米5.0±0.1毫米1.0±0.1毫米2.0 毫米(仅限 DMLP730B)或 3.0 毫米
入射角45°
表面质量40-20 划痕-挖掘
传输波前误差< λ/4 @ 633 nm 通光孔径通光孔径下 ≤λ/4 @ 632.8 nm
并行性< 3 弧
基材材质紫外熔融石英b


波长规格
项目编号前缀截止波长传输频段绝对传输平均传输率反射带绝对反射率平均反射率AR镀膜范围a伤害阈值
DMLP425425纳米440 - 800 纳米>85%>90%380 - 410 纳米>90%>95%400 - 800 纳米1.50 J/cm 2 (532 nm, 10 Hz, 10 ns, Ø250 µm)
DMLP490490纳米505 - 800 纳米>85%>90%380 - 475 纳米>90%>95%400 - 800 纳米1.00 J/cm 2 (532 nm, 10 Hz, 10 ns, Ø538 µm)
DMLP505505纳米520 - 800 纳米>85%>90%380 - 490 纳米>90%>95%400 - 800 纳米1.50 J/cm 2 (532 nm, 10 Hz, 10 ns, Ø250 µm)
DMLP550550纳米565 - 800 纳米>85%>90%380 - 533 纳米>90%>95%400 - 800 纳米0.50 J/cm 2 (532 nm, 10 Hz, 10 ns, Ø538 µm)
DMLP567567纳米584 - 800 纳米>85%>90%380 - 550 纳米>90%>95%400 - 800 纳米1.50 J/cm 2 (532 nm, 10 Hz, 10 ns, Ø250 µm)
DMLP605605纳米620 - 800 纳米>85%>90%470 - 590 纳米>90%>95%400 - 800 纳米1.50 J/cm 2 (532 nm, 10 Hz, 10 ns, Ø250 µm)
DMLP638638纳米655 - 700 纳米>85%>90%580 - 621 纳米>90%-400 - 800 纳米1.50 J/cm 2 (532 nm, 10 Hz, 10 ns, Ø250 µm)
DMLP650650纳米685 - 1600 纳米>85%>90%400 - 633 纳米>90%>95%665 - 1600 纳米0.25 J/cm 2 (532 nm, 10 Hz, 10 ns, Ø538 µm) 2.00 J/cm 2 (1064 nm, 10 Hz, 10 ns, Ø1.000 mm)
DMLP735735纳米750 - 1600 纳米->93%350 - 720 纳米->98%350 - 1600 纳米-
DMLP805805纳米825 - 1300 纳米>85%>90%400 - 785 纳米>90%>95%823 - 1300 纳米-
DMLP900900纳米932 - 1300 纳米>85%>90%400 - 872 纳米>90%-932 - 1700 纳米1.00 J/cm 2 (532 nm, 10 Hz, 10 ns, Ø250 µm) 6.50 J/cm 2 (1064 nm, 10 Hz, 12 ns, Ø250 µm)
DMBP740b940纳米400 - 725 纳米, 980 - 1700 纳米->93%753 - 935 纳米->97%400 - 1700 纳米-
DMLP950950纳米990 - 1600 纳米>85%>90%420 - 900 纳米>90%>95%932 - 1700 纳米1.00 J/cm 2 (532 nm, 10 Hz, 10 ns, Ø538 µm) 4.00 J/cm 2 (1064 nm, 10 Hz, 10 ns, Ø1.000 mm)
DMLP10001000纳米1020 - 1550 纳米>85%>90%520 - 985 纳米>90%>95%1020 - 1550 纳米-
DMLP11501150纳米1200 - 1900 纳米->95%720 - 1100 纳米->95%400 - 1900 纳米-
DMLP11801180纳米1260 - 1700 纳米>85%>90%750 - 1100 纳米>90%>95%932 - 1700 纳米5.00 J/cm 2 (1064 nm, 10 Hz, 12 ns, Ø250 µm)
DMLP15001500纳米1550 - 2000 纳米>85%>90%1000 - 1450 纳米>90%>95%1550 - 2000 纳米-
DMLP18001800纳米1850 - 2100 纳米>85%>90%1500 - 1750 纳米>90%>95%1800 - 2100 纳米5.00 J/cm 2 (2050 nm, 62.5 Hz, 10 ns, Ø348 µm)





电话:0755-83512170;手机:13249819590;QQ:2577758288;邮箱:2577758288@qq.com