Thorlabs索雷博 BBD05-E02 D形反射镜
金属膜反射镜规格| 涂层 | 抗紫外线铝 | 受保护的银 | 超快增强银 |
|---|
| 物品 # | PFD05-03-F01 | PFD10-03-F01 | PFD05-03-P01 | PFD10-03-P01 | PFD05-03-AG | PFD10-03-AG | | 涂层范围 | 250 - 450 纳米 | 450 纳米 - 20 微米 | 750 - 1000 纳米 | | 直径 | Ø1/2" | Ø1" | Ø1/2" | Ø1" | Ø1/2" | Ø1" | | 直径公差 | +0.0/-0.1 毫米 | | 厚度 | 6.0毫米±0.2毫米 | | 基材 | 熔融石英 | | 前表面平整度 | λ/10 @ 633 nm | | 表面质量 | 40-20 划痕-挖掘 | | 通光孔径 | > 直径的 90% | | 反射率 | 250 - 450 nm 范围内R平均值> 90% | 450 nm - 2 μm 范围内,R平均值> 97% 2 - 20 μm 范围内, R平均值> 95% | 750 nm - 1000 nm 范围内R p > 98.5% 且 R s > 99% | 群延迟色散 (@ 45° AOI) | - | - | S-Pol:|GDD| < 20 fs 2 P-Pol:|GDD| < 30 fs 2 | | 并行性 | ≤5弧分 | | 损坏阈值(脉冲) | 0.25 J/cm 2 (266 nm, 10 ns, 10 Hz, Ø0.150 mm) 0.3 J/cm 2 (355 nm, 10 ns, 10 Hz, Ø0.381 mm) | 0.225 J/cm 2 (800 nm, 99 fs, 1 kHz, Ø0.167 mm) 1 J/cm 2 (1064 nm, 10 ns, 10 Hz, Ø1.010 mm) | 0.18 J/cm 2(800 nm,52 fs FWHM,S-Pol,1000 个脉冲)b 0.39 J/cm 2(800 nm,52 fs FWHM,S-Pol,单脉冲)b | | 损坏阈值 (CW) c | 300 瓦/厘米(1.064 微米,Ø0.044 毫米) 500 瓦/厘米(10.6 微米,Ø0.339 毫米) | 500 瓦/厘米(1.07 微米,Ø0.974 毫米) 1500 瓦/厘米(10.6 微米,Ø0.339 毫米) | - |
| 涂层 | 受保护的黄金 | MIR-增强金 |
|---|
| 物品 # | PFD05-03-M01 | PFD10-03-M01 | PFD05-03-M02 | PFD10-03-M02 | | 涂层范围 | 800 纳米 - 20 微米 | 2 - 20 微米 | | 直径 | Ø1/2" | Ø1" | Ø1/2" | Ø1" | | 直径公差 | +0.0/-0.1 毫米 | | 厚度 | 6.0毫米±0.2毫米 | | 基材 | 熔融石英 | | 前表面平整度 | λ/10 @ 633 nm | | 表面质量 | 40-20 划痕-挖掘 | | 通光孔径 | > 直径的 90% | | 反射率 | 800 nm - 20 μm 范围内R平均值> 96% | 2 μm - 20 μm 范围内,R avg > 98% a 且 R abs > 95% a | | 并行性 | ≤5弧分 | | 损坏阈值(脉冲) | 2 J/cm 2 (1064 nm, 10 ns, 10 Hz, Ø1.000 mm) | 0.1 J/cm 2 (1.064 µm, 10 ns, 10 Hz, Ø1.06 mm) 3 J/cm 2 (10.6 µm, 100 ns, 1 Hz, Ø1.29 mm) | | 损坏阈值 (CW) b | 500 瓦/厘米(1.070 微米,Ø0.089 毫米) 750 瓦/厘米(10.6 微米,Ø0.339 毫米) | 25 瓦/厘米(1.07 微米,Ø1.04 毫米) 450 瓦/厘米(10.6 微米,Ø1.18 毫米) |
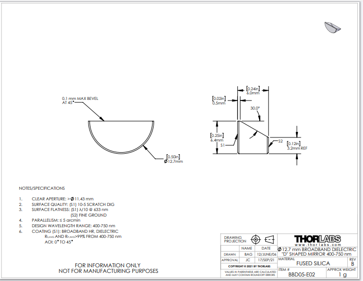
宽带介质膜反射镜规格| 涂层 | -E01涂层 | -E02涂层 | -E03涂层 | -E04涂层 |
|---|
| 物品 # | BBD05-E01 | BBD1-E01 | BBD05-E02 | BBD1-E02 | BBD05-E03 | BBD1-E03 | BBD05-E04 | BBD1-E04 | | 涂层范围 | 350 - 400 纳米 | 400 - 750 纳米 | 750 - 1100 纳米 | 1280 - 1600 纳米 | | 直径 | Ø1/2" | Ø1" | Ø1/2" | Ø1" | Ø1/2" | Ø1" | Ø1/2" | Ø1" | | 直径公差 | +0.0/-0.1 毫米 | +0.0/-0.2 毫米 | +0.0/-0.1 毫米 | | 厚度 | 6.0毫米 | | 基材 | 熔融石英 | | 前表面平整度 | λ/10 @ 633 nm | | 表面质量 | 10-5 划痕-挖掘 | | 通光孔径 | > 直径的 90% | 反射率 (0° - 45° 的 P 和 S 偏振) | 350 - 400 nm 范围内R平均值> 99% | 400 - 750 nm 范围内R平均值> 99% | 750 - 1100 nm 范围内R平均值> 99% | 1280 - 1600 nm 范围内R平均值 > 99% | | 并行性 | ≤5弧分 | | 损坏阈值(脉冲) | 1 J/cm 2 (355 nm,10 ns,10 Hz,Ø0.373 mm) | 0.25 J/cm 2 (532 nm, 10 ns, 10 Hz, Ø0.803 mm) | 0.205 J/cm 2 (800 nm, 99 fs, 1 kHz, Ø0.166 mm), 1 J/cm 2 (810 nm, 10 ns, 10 Hz, Ø0.133 mm), 0.5 J/cm 2 (1064 nm) ,10 纳秒,10 赫兹,Ø0.433 毫米) | 2.5 J/cm 2 (1542 nm, 10 ns, 10 Hz, Ø0.181 mm) | | 损坏阈值 (CW) a | - | 550 瓦/厘米(532 纳米,Ø1.000 毫米) | 10 千瓦/厘米(1070 纳米,Ø0.971 毫米) | 350 瓦/厘米(1540 纳米,Ø1.030 毫米) |


电话:0755-83512170;手机:13249819590;QQ:2577758288;邮箱:2577758288@qq.com
|