深圳市翰磊贸易有限公司

产品分类
KLS
E2V
ORC
CEI
OTS
SMV
CIS
GE
NED
LKK
THK
产品详情

OPT 奥普特        OPT-URI7030      紫外光源

品牌:OPT奥普特
型号:OPT-URI7030
类型:光源
产品详情

OPT 奥普特        OPT-URI7030      紫外光源



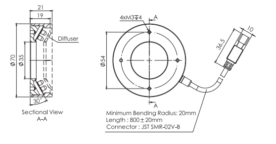
型号OPT-URI7030
角度30
消耗功率365nm-24v/3.4w : 375nm-24v/3.6w
外壳尺寸(直径)70
建议配套控制器OPT-DPA2024E



电话:0755-83512170;手机:13249819590;QQ:2577758288;邮箱:2577758288@qq.com